Thử áp lực xung vòi hút chữa cháy – Phụ lục A được qui định tại tiêu chuẩn quốc gia TCVN 8060:2009 Phương tiện chữa cháy – Vòi chữa cháy – Vòi hút bằng cao su, chất dẻo và cụm vòi.
TCVN 8060 : 2009 hoàn toàn tương đương với ISO 14557 : 2002.
TCVN 8060 : 2009 do Ban kỹ thuật tiêu chuẩn quốc gia TCVN/TC 21 Thiết bị phòng cháy chữa cháy biên soạn, Tổng cục Tiêu chuẩn Đo lường Chất lượng đề nghị, Bộ Khoa học và Công nghệ công bố.
Tiêu chuẩn này quy định các yêu cầu và phương pháp thử đối với vòi hút bằng cao su và chất dẻo, sau đây được gọi tắt là vòi hút dùng trong chữa cháy.
Các vòi hút kiểu A (cao su) được dùng ở nhiệt độ thấp nhất là – 20 °C, và kiểu B (dẻo nhiệt) được dùng ở nhiệt độ thấp nhất là -10 °C.
Thử áp lực xung vòi hút chữa cháy – Phụ lục A
- Mẫu thử
Ít nhất phải thử ba mẫu thử vòi hút có lắp đầu nối ở đầu mút. Khoảng cách giữa các đầu nối ít nhất phải bằng năm lần đường kính trong của vòi hút.
- Thiết bị
Một mạch có khả năng tạo ra một áp lực thủy lực bên trong, áp lực này có thể được ngắt ở một mức xác định trước, được làm chậm lại trong một khoảng thời gian cố định và sau đó chu kỳ áp lực xung được lặp lại. Chu kỳ áp lực xung phải tuân theo các yêu cầu áp suất/thời gian của Hình A.1. Một mạch thích hợp được giới thiệu trên Hình A.2.
- Chất lỏng thử
Chất lỏng thử phải là nước vì nước có thể được làm khô đi một cách thích hợp.
- Sự ổn định
Không tiến hành phép thử trong vòng 24 h sau khi vòi hút được sản xuất ra. Các mẫu thử phải được ổn định ở (23 ± 2) °C trong thời gian tối thiểu là 3 h trước khi thử.
CHÚ THÍCH: Thời gian ổn định 3 h có thể được bao gồm trong khoảng thời gian 24 h sau khi sản xuất vòi hút.
- Tiến hành thử
Nối mẫu thử ở trạng thái thẳng với thiết bị vào bảo đảm cho nhiệt độ của chất lỏng thử và của môi trường xung quanh là (23 ± 2) °C. Rút toàn bộ không khí ra khỏi mẫu thử và tác động 10.000 chu kỳ áp lực xung. Áp suất lớn nhất của chu kỳ thử (xem Hình A.1) phải là 0,18 MPa.
CHÚ THÍCH: Do phép thử này dài cho nên cho phép có sự gián đoạn ngắn. Phép thử có thể được bắt đầu lại tại điểm gián đoạn nhưng không nên đưa sự gián đoạn này vào báo cáo thử.
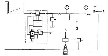
V
Hình A.1 – Chu kỳ áp lực xung

CHÚ GIẢI
1 Van xả không khí
2 Mẫu thử
3 Đồng hồ bấm giờ
Hình A.2 – Mạch thử áp lực xung thích hợp
Mong rằng sự tư vấn của bộ phận tư vấn an toàn sẽ giúp bạn lựa chọn phương án thích hợp nhất để giải quyết những vướng mắc của mình. Vui lòng liên hệ Tổng đài tư vấn pháp luật miễn phí 1900 0340 để nhận được ý kiến tư vấn chính xác nhất.
–
Nếu quý vị cần thêm thông tin thì vui lòng liên hệ Trung tâm ứng phó sự cố môi trường
Hotline: 1900 0340 | Tel: 0903 063 599 (Ms Vân)
Email: trungtam@ungphosuco.vn
Các khóa học cấp chứng chỉ và tập huấn an toàn lao động
