Thử khả năng nhả ra của chi tiết bịt kín trong hệ thống sprinkler tự động-Phần 2

Phòng cháy chữa cháy và An toàn lao động

Thử khả năng nhả ra của chi tiết bịt kín trong hệ thống sprinkler tự động-Phần 2 được quy định trong Tiêu chuẩn Việt Nam TCVN 6305-2:2007 Phòng cháy chữa cháy- Hệ thống sprinkler tự động- Phần 2: Yêu cầu và phương pháp thử đối với van báo động kiểu ướt, bình làm trễ và chuông nước.

TCVN 6305-2 :2007 do Ban kỹ thuật tiêu chuẩn TCVN/TC 21 Thiết bị phòng cháy chữa cháy  biên soạn, Tổng cục Tiêu chuẩn Đo lường Chất lượng đề nghị, Bộ Khoa học và Công nghệ công bố.

Tiêu chuẩn này quy định tính năng, các yêu cầu, phương pháp thử và các yêu cầu về ghi nhãn đối với van báo động kiểu ướt, bình làm trễ, chuông nước và thiết bị bổ sung sử dụng trong hệ thống spinkler tự động chữa cháy theo quy định của nhà sản xuất.

Tiêu chuẩn này không quy định tính năng và các yêu cầu về thử nghiệm cho các chi tiết hoặc phụ tùng bổ trợ cho các van báo động

Thử khả năng nhả ra của chi tiết bịt kín trong hệ thống sprinkler tự động-Phần 2

Với van ở vị trí làm việc bình thường và bộ phận bịt kín ở vị trí đóng kín, tác động một áp suất thủy tính 0,35 MPa (3,5 bar) vào đầu xả nước của van trong khoảng thời gian 90 ngày. Trong suốt thời gian này phải duy trì nhiệt độ nước ở (87 ± 2) 0C bằng một thiết bị đun nóng ngâm trong nước hoặc thiết bị đun nóng thích hợp khác. Phải có biện pháp duy trì nước trong đầu cấp nước của van ở áp suất khí quyển.

Sau khi hoàn thành giai đoạn thử này, nước trong van phải được tháo ra và làm nguội van tới nhiệt độ môi trường xung quanh trong thời gian ít nhất là 24 h. Với đầu xả của van ở áp suất khí quyển, cho đầu cấp nước của van chịu tác động dần dần áp suất thủy tĩnh 0,035 MPa (0,35 bar). Bộ phận bịt kín phải di chuyển khỏi mặt tựa và không có phần nào của mặt bịt kín, trừ thuốc màu, được bám dính vào mặt tựa.

Khi sử dụng cùng một kết cấu bộ phận bịt kín cho nhiều hơn một cỡ van thì chỉ phải thử một mẫu thử cho cỡ van có ứng suất cao nhất trên bề mặt tựa.

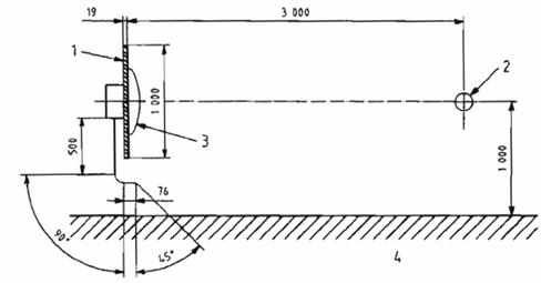
Kích thước tính bằng milimét

a) Hình chiếu cạnh

b) Hình chiếu đứng

CHÚ DẪN:

1 Gỗ dán 19 x 1000 x 1000

2 Dụng cụ đo âm thanh

3 Chuông động cơ thủy lực

4 Bề mặt được lát

A, B, C là các vị trí thử

Đường kính của đường ống do nhà sản xuất yêu cầu.

Hình 2 – Thiết bị thử độ nghe rõ

Mong rằng sự tư vấn của bộ phận tư vấn an toàn sẽ giúp bạn lựa chọn phương án thích hợp nhất để giải quyết những vướng mắc của mình. Vui lòng liên hệ Tổng đài tư vấn pháp luật miễn phí 1900 0340 để nhận được ý kiến tư vấn chính xác nhất.

Nếu quý vị cần thêm thông tin thì vui lòng liên hệ Trung tâm ứng phó sự cố môi trường

Hotline: 1900 0340   |  Tel: 0903 063 599 (Ms Vân) 

Email: trungtam@ungphosuco.vn

Các khóa học cấp chứng chỉ và tập huấn an toàn lao động

Leave a Reply

090306 3599