Thử tỷ lệ trong hệ thống sprinkler tự động-Phần 2

PCCC

Thử tỷ lệ trong hệ thống sprinkler tự động-Phần 2 được quy định trong Tiêu chuẩn Việt Nam TCVN 6305-2:2007 Phòng cháy chữa cháy- Hệ thống sprinkler tự động- Phần 2: Yêu cầu và phương pháp thử đối với van báo động kiểu ướt, bình làm trễ và chuông nước.

TCVN 6305-2 :2007 do Ban kỹ thuật tiêu chuẩn TCVN/TC 21 Thiết bị phòng cháy chữa cháy  biên soạn, Tổng cục Tiêu chuẩn Đo lường Chất lượng đề nghị, Bộ Khoa học và Công nghệ công bố.

Tiêu chuẩn này quy định tính năng, các yêu cầu, phương pháp thử và các yêu cầu về ghi nhãn đối với van báo động kiểu ướt, bình làm trễ, chuông nước và thiết bị bổ sung sử dụng trong hệ thống spinkler tự động chữa cháy theo quy định của nhà sản xuất.

Tiêu chuẩn này không quy định tính năng và các yêu cầu về thử nghiệm cho các chi tiết hoặc phụ tùng bổ trợ cho các van báo động

Thử tỷ lệ trong hệ thống sprinkler tự động-Phần 2

Tác động một áp suất làm việc (0,14 ± 0,0028) MPa [(1,4 ± 0,028) bar]. Xả nước với lưu lượng nhỏ từ phía sau của van báo động kiểu ướt và ghi lại áp suất chênh lệch lớn nhất đạt được với độ chính xác ±2 %. Đó là trị số áp suất chênh lệch lớn nhất đạt được ngay trước khi mở van. Tính toán tỷ lệ Rp theo phương trình (3):

Rp = ps / (ps – pmax)             (3)

Trong đó

ps là áp suất làm việc,

pmax là áp suất chênh lệch lớn nhất.

Lặp lại phép thử ở các áp suất 0,7 MPa (7 bar) và 1,2 MPa (12 bar). Van phải tuân theo các yêu cầu trong 4.14.7

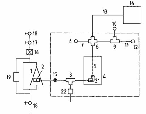
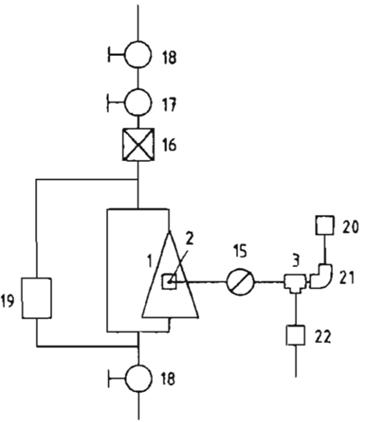
CHÚ DẪN

1 van báo động kiểu ướt

2 cửa van báo động

3 nối ống chữ T để xả nước và van xả nước (nếu không được lắp với bulông hãm hoặc thiết bị bổ sung)

4 bình làm trễ (nếu được lắp)

5 đường ống lựa chọn cho hệ thống không có bình làm trễ

6 nối ống bốn ngả (chữ thập)

7 đoạn nối ống (chiều dài lớn nhất 252 mm)

8 công tắc áp suất [0,05 MPa (0,5 bar)]

9 nối ống chữ T kiểm tra

10 áp kế giám sát áp suất đường ống

11 đoạn nối ống (chiều dài lớn nhất 77 mm)

12 van bi

13 ống cho chuông nước (chiều dài ≤ 0,5 m)

14 chuông nước

15 van điều chỉnh (thường là bộ phận của thiết bị bổ sung)

16 dụng cụ đo lưu lượng

17 van điều chỉnh (loại mở nhanh)

18 van điều chỉnh

19 dụng cụ đo áp suất chênh lệch

20 cơ cấu làm trễ

21 khuỷu ống

22 tự động chảy nhỏ giọt

Mong rằng sự tư vấn của bộ phận tư vấn an toàn sẽ giúp bạn lựa chọn phương án thích hợp nhất để giải quyết những vướng mắc của mình. Vui lòng liên hệ Tổng đài tư vấn pháp luật miễn phí 1900 0340 để nhận được ý kiến tư vấn chính xác nhất.

Nếu quý vị cần thêm thông tin thì vui lòng liên hệ Trung tâm ứng phó sự cố môi trường

Hotline: 1900 0340   |  Tel: 0903 063 599 (Ms Vân) 

Email: trungtam@ungphosuco.vn

Các khóa học cấp chứng chỉ và tập huấn an toàn lao động

Leave a Reply

090306 3599