Yêu cầu chung của thử vận hành đối với van ống khô được quy định ở Tiêu chuẩn Việt Nam TCVN 6305-3:2007 (ISO 6182-3:2005) Phòng cháy Chữa cháy – Hệ thống Sprinkler tự động – Phần 3: Yêu cầu và Phương pháp thử đối với van ống khô.
TCVN 6305-3 : 2007 do Ban kỹ thuật Tiêu chuẩn TCVN/TC 21 Thiết bị phòng cháy chữa cháy biên soạn, Tổng cục Tiêu chuẩn Đo lường Chất lượng đề nghị, Bộ Khoa học và Công nghệ công bố.
Tiêu chuẩn này quy định tính năng, các yêu cầu, phương pháp thử và các yêu cầu về ghi nhãn đối với van ống khô và thiết bị bổ sung có liên quan do nhà sản xuất quy định được sử dụng trong các hệ thống phòng cháy chữa cháy tự động ống khô.
Tiêu chuẩn này không quy định tính năng và các yêu cầu thử nghiệm cho các bộ phận phụ hoặc phụ tùng của van ống khô
Yêu cầu chung của thử vận hành đối với van ống khô
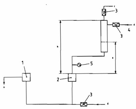
Thực hiện một loạt các phép thử vận hành đối với van ở các áp suất làm việc của nước 0,04 MPa (0,4 bar), 0,14 MPa (1,4 bar) và từ 0,2 MPa (2 bar) đến áp suất làm việc định mức với các độ tăng 0,1 MPa (1 bar) khi sử dụng thiết bị thử được chỉ dẫn trên Hình 3.

CHÚ DẪN:
1 van mở nhanh 150 mm
2 van ống khô được thử
3 van ngắt
4 bể chứa nước
5 áp kế
CHÚ THÍCH: Rút hết không khí ra khỏi đường ống giữa cơ cấu mở nhanh và phía trong van ống khô trước mỗi lần thử.
a ra khí quyển
b nguồn cung cấp có thể tích 1,9 m3
c không khí
d nước
e lưu lượng nước (xem Bảng 1)
Mong rằng sự tư vấn của bộ phận tư vấn an toàn sẽ giúp bạn lựa chọn phương án thích hợp nhất để giải quyết những vướng mắc của mình. Vui lòng liên hệ Tổng đài tư vấn pháp luật miễn phí 1900 0340 để nhận được ý kiến tư vấn chính xác nhất.
–
Nếu quý vị cần thêm thông tin thì vui lòng liên hệ Trung tâm ứng phó sự cố môi trường
Hotline: 1900 0340 | Tel: 0903 063 599 (Ms Vân)
Email: trungtam@ungphosuco.vn
Các khóa học cấp chứng chỉ và tập huấn an toàn lao động

